北京華光科達科技有限公司
聯系人:丁經理
手機:18611715668
E-mail:bjhgkd@163.com
地址:北京市通州區北苑155號
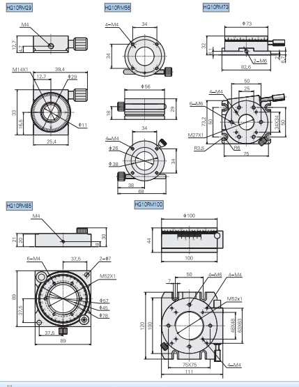
HG10RM 系列精神旋轉臺
發布時間:2012-05-24 08:03:26 人氣:1415 來源:本站

主要特征:
● 精密軸系;
● 旋轉臺中心帶有標準的螺紋通孔或光通孔;
● 圓周 360°刻劃,部分型號游標讀數;
● 部分型號是粗、微調結構;
● 底面和臺面的標準孔位,便于安裝和組合。
技術指標:
| 型號 | HG10RM29 | HG10RM52 | HG10RM73 | HG10RM85 | HG10RM100 |
| 臺面直徑(mm) | 29 | 56 | 73 | 85 | 100 |
| 驅動方式 | 蝸輪副 | 細牙螺桿 | 細牙螺桿/微分頭 | 摩擦輪 | 細牙螺桿/微分頭 |
| 讀數方式 | 直讀 | 游標讀數 | 游標讀數 | 直讀 | 游標讀數 |
| 分辨率 | 0.07° | 0.002° | 0.0015°/0.003° | 1° | 0.001°/0.002° |
| 粗調范圍 | - | 360° | 360° | - | 360° |
| 精調范圍 | 360° | ±3° | ±10° | 360° | ±5° |
| 最小刻度 | 5° | 2° | 1° | 2° | 1° |
| 最小讀數 | 0.5° | 0.2° | 5′ | 1° | 2′ |
| 最大負載(kg) | 2 | 2 | 5 | 6 | 12 |
| 自重(kg) | 0.025 | 0.15 | 0.4 | 0.3 | 1.25 |

上一篇:沒有了!
下一篇:HG20RM 系列精密旋轉臺
相關新聞
- 電動位移臺的構成和工作形式 2022-09-09
- 使用手動平移臺的相關注意事項是什么 2022-09-09
- 電控位移臺的特點是什么? 2022-09-09
- 高精度電動位移臺是從什么時候走入到消費者視線 2022-09-09
- 交叉導軌的潤滑使用事項 2022-09-09
- 手動位移臺在工作中的三大特點 2022-09-09
- 怎樣保證電動位移的良好使用功能 2022-09-09
- 旋轉臺的6大特點,值得關注! 2022-09-09
- 手動位移臺的使用特點 2022-09-09
- 升降臺的工業應用及其如何保養維護 2022-09-09


客服